Reinforcement Rusting with Cracks on Concrete Constrution

In the absence of cracks, the alkaline environment causes the formation of an oxide film on the surface of the steel bar to prevent corrosion. After the crack appeared, the CO2 neutralized the alkaline environment and the oxide film disappeared.

2020-03-26 13:33:00

Steel plate bonding reinforcement application

Steel plate bonding reinforcement method has been widely used in strengthening engineering, its basic principle is using high performance epoxy adhesive bonded the steel plate to the concrete, so as to form a unified whole, to achieve the purpose of strengthening and enhancing the strength and stiffness of the original structure.

2018-03-28 14:53:08

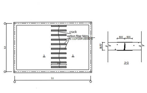
The amount of adhesive should be enough by CFRP strengthening

Carbon ifber adheisve, the amount of 200g carbon fiber fabric is 0.7-0.9 kg per square meter Carbon ifber adheisve, the amount of 300g carbon fiber fabric is 1.1-1.3 kg per square meter Multilayer carbon fiber cloth, from the second floor, the amount of carbon fiber glue can be properly reduced (per square metre 0.1-0.2 kg).

2020-03-26 13:33:54

CFRP sheets for flexural strengthening of RC beams

Calculated parameters for flexural strengthening of RC beams using carbon fiber reinforced polymer(CFRP) sheet​.

2018-03-27 14:30:01

Characteristics of Pre-stressed CFRP plate reinforcement

Reinforcement technology of prestressed carbon fiber reinforced polymer laminate is 4-6 times higher strength than that of non prestressed carbon fiber reinforcement technology.t can not only improve the bearing capacity of concrete beams, but also significantly improve the service performance of reinforced beams.

2018-03-26 15:37:00

Difference between pre-stress CFRP plate and carbon strip

The carbon fiber strip and prestressed CFRP plate​ are all carbon fiber strip in the final analysis. The difference between the two is from the different reinforcement methods they belong to.The reinforcement methods of carbon fiber cloth and carbon fiber strip are all passive reinforcement, and the prestressed CFRP plate is the active reinforcement.

2020-03-25 10:40:13

Drawing test of epoxy anchoring adhesive

Drawing test is the most effective method to test the effect of rebar planting. The HM-500 injection type rebar adhesive is 100% through the experiment or on the spot.

2020-03-25 10:57:35

Reinforcement of Pre-stressed CFRP plate

Prestressed carbon fiber plate strengthening technology is a kind of active reinforcement technology applied to bridge and long-span beam and other flexural members. It is popular because of its advantages of not increasing self weight and unloading.

2020-03-25 10:55:41

Carbon fiber fabric

In view of durability and safety considerations, the raw material for structural reinforcement carbon cloth is polyacrylonitrile fiber (PAN).The unidirectional carbon fiber fabric used for structural reinforcement is easily soaked by adhesive and is generally used in 12K small tow knitting and 24K small tow knitting.

2020-03-25 10:51:15

Strengthening technique with carbon fiber fabric

Unidirectional carbon fiber fabric is used for beam and slab flexural reinforcement, and beam, column, wall shear reinforcement, confined concrete for seismic strengthening of columns, also for crack repair and dynamic load member reinforcement, reinforcement and repair.

2020-03-25 10:44:49
Back
Top
Close